壓力表計的計量檢定與校準工作總結
壓力表計檢定與校準工作是檢修水力發電廠水輪發電機組的重要計量檢定與校準工作之一。在水電廠壓力表大致可以 分為指針式或數顯式壓力表、壓力開關及壓力變送器等,不同的壓力表計有著不同的功能。壓力表計高精度、高準確性的運 行以及其高質量的檢定標準是水電廠安全、穩定、經濟運行的需要。壓力表計定期檢查和檢定與校準工作是否符合相關規范, 能有效防范水力發電廠的設備在使用與運行過程中發生壓力泄露、水力脈動過大、泵體啟停值錯誤等現象而導致機組不穩定 運行事故,也可對處在運行中的設備性能與狀態進行評估。如果壓力表計的檢定結果不符合規范,可以更換符合標準的壓力表計或及時采取壓力設定值調整手段,保證設備維持正常運行。本文根據實際工作經驗,對壓力表計檢定校準中的問題進行 闡述,為壓力表計準確可靠運行提供切實可行的改進依據。
1.壓力表計、計量檢定與校準概述
1.1壓力表計
壓力表是一種測量壓力大小的儀表,在工業過程控制與 技術測量過程中得到了越來越廣泛的應用。在水輪發電機機, 壓力容器等特種設備中,根據用途壓力表可分為:普通壓力 表、氨壓力表、氧氣壓力表、電接點壓力表、遠傳壓力表、 耐振壓力表、帶檢驗指針壓力表、雙針雙管或雙針單管壓力 表、數顯壓力表、數字精密壓力表等作為常見的計量器具, 壓力表廣泛應用于生產生活的各個領域,壓力表常被比喻為 眼睛,是不可缺少的安全附件。壓力表檢定質量的好壞直接 關系著安全生產和經營建設。由于壓力表檢定工作量大,尤 其是在壓力表集中送檢時就要求檢定人員執行檢定規程同 時熟練一些工作技巧,提高效率。
壓力表雖然結構簡單、成本低廉,但在生產過程中卻是 測量壓力最直觀準確的儀表,正確的選型、安裝、保養、檢 定與校準對于壓力表的使用壽命和準確度,能起到良好的保 障。壓力表滿量程刻度為容器或容器系統最高工作壓力的 1.5-3.0倍,最好選用2倍。壓力表盤直徑不小于100mm,
表盤上最好有指示容器系統的最高工作壓力的最高工作壓 力的紅線刻度。
一般壓力表計要設置在方便觀看,方便處理的地方,要 防止其受到輻射或者是振動等問題的干擾。壓力表應垂直安 裝,安裝位置較高時,可略向前傾斜,以便于觀察,但傾斜 角度不得超過30度。壓力表前應裝有緩沖彎管,緩解壓縮 空氣直接沖入彈簧彎管內,還可積存凝結水。壓力表和緩沖 彎管之間應裝有三通旋塞或針型閥,以便更換和校驗壓力表。
1.2計量檢定與校準
計量:指為保證國家計量單位制統一和量值準確可靠的測量。
檢定:是指為評定計量器具的計量性能,按照國家檢定 規程和步驟,確定計量儀器的計量特性是否符合法定要求的 操作,包括檢驗和加封蓋印等。按管理環節的不同可分為周 期檢定、出廠檢定、修后檢定、進口檢定、仲裁檢定;按管 理性質的不同可分為強制檢定和非強制檢定。
校準:在規定條件下,為確定測量儀器或測量系統所指 示的量值,或實物量具或參考物質所代表的量值,與對應標 準器所復現的量值之間關系的一組操作,并以此進行調整。
注:
檢定和校準的相同點:屬于量值溯源的一種有效合 理的方法和手段,目的都是實現量值的溯源性。
檢定和校準的區別:檢定是對計量器具的計量特性 進行全面的評定,校準主要是確定其量值;檢定要對計量 器具做出合格與否的結論,而校準并不判斷;檢定應發檢定 證書、加蓋檢定印記或不合格通知書,而校準是發校準證書 或校準報告;檢定依據是計量檢定 規程;而校準依據是 校準技術規范。
已經損壞、過載或誤操作等使儀表顯示不正常、功 能出現可疑現象、沒有任何標簽或標簽不完整、超過規定的
計量確認間隔(有效日期)等,都屬于不合格計量儀表。
2.壓力表計的檢定與校準
2.1有效數字修約
量值是由一個數值乘以測量單位表示的特定量的大小。 有效數字指實際上能測量到的數值,在該數值中只有最后一 位是可疑數字,其余的均為可靠數字。有效數字能反映出測 量時的準確程度。《數字修約規則》中通常使用“四舍六入 五成雙”法則。即當位數<4時舍去,尾數彡6時進位,尾 數=5時,應視保留的末尾數是奇數還是偶數,5前為偶數時 5應舍去,5前為奇數則進位。
2.2壓力表計檢定與校準試驗器具
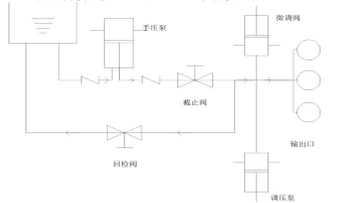
(1)壓力校驗儀:HS710/ HS710A手動液壓源
手壓泵:反復抬起再壓下,帶動泵體活塞運動,實現預壓。
調壓泵:用于快速調節壓力值,順時針升壓,逆時針降
壓。
截止閥:用于截斷手壓泵與調壓泵之間的連接,順時針 截斷,逆時針開通。
微調閥:用于細微調節壓力值,順時針升壓,逆時針降
壓。
回檢閥:獲得壓力時必須順時針關閉,逆時針旋開泄掉 系統壓力。
輸出口:三個相同的輸出口,一個接標準表,兩個接被 檢表。
(2)智能壓力校驗標準儀HS602:校驗部門需擁有高于校 驗壓力表壓力精度3倍以上的標準源,對量程范圍內的壓力 表、壓力開關及壓力變送器進行校驗。
2.3壓力表計的校驗
2. 3. 1指針式或數顯式壓力表校驗
①記錄壓力表計的出廠編號、型號、生產廠家、精度等 級、分度值、誤差要求、及測量范圍;
②零點觀察;
③壓力表檢測點升壓檢定:將標準源的壓力值調至各校 驗值,讀取被校驗壓力表的實際讀數,做好記錄。
④壓力表檢測點降壓檢定,方法同③;
⑤計算出各檢測點時的誤差值,并記錄,確保各誤差值 均滿足該壓力表的誤差要求,尤其是工作中使用的壓力范圍;
⑥校驗合格的壓力表計,完成檢定記錄表,貼好合格證 即可再次使用。
2. 3. 2壓力開關校驗
①記錄壓力開關的出廠編號、型號、生產廠家、誤差要 求、測量范圍及動作方式等;
②壓力開關動作點檢定:將標準源的壓力值調工作點之 上,緩慢降低壓力至節點動作,記錄被校驗壓力開關的實際 啟動壓力值;繼續緩慢降低壓力至節點返回,記錄被校驗壓 力開關的實際返回壓力值;
③計算被校驗壓力開關的實際啟動壓力值和返回壓力 值是否滿足該壓力開關的誤差要求,如若不滿足調整,重新 測定;
④被校驗壓力開關啟動至調整:利用適當的活動扳手調 整該壓力開關的調整螺母,順時針為設定壓力值增大,逆時 針為設定壓力值減小;
⑤重新檢定,方法同②③;
⑥調整校驗合格后的壓力開關,完成檢定記錄表,貼好 合格證即可再次使用。
2. 3. 3壓力變送器
壓力傳感器主要是指利用集成電路工藝和微機械技術 將敏感元件與功能強大的電子線路集成在同一芯片上,具有 信號提取、信號處理、邏輯判斷、決策、自檢、自診斷和計 算等功能。現應用最廣泛的是壓阻式壓力傳感器。智能壓阻 式壓力傳感器使用壓敏電阻作為測量元件,作用在測量元件 上的壓力使內部的電阻產生形變,使得連接在電橋中的電阻 改變,得到的信號經過校準、放大,輸出對應其壓力量程的 標準電壓(0-10V/0-5V)或標準電流(4-20mA)信號。
(1)外觀檢測:變送器的銘牌應完整、清晰,并具有以 下信息:產品名稱、型號規格、測量范圍、準確度等級、額 定工作壓力等主要技術指標;制造廠的名稱或商標、出廠編 號、制造年月、制造計量器具許可證標志及編號;防爆產品 還應有相應的防爆標志。差壓變送器的高、低壓容室應有明 顯標記。
(2)密封性檢查:平穩地升壓(或疏空),使壓力變送器 測量室壓力達到測量上限值(或當地大氣壓力90%的疏空度), 關閉壓力源。密封15min,應無泄漏。在最后5min內通過壓 力表觀察,其壓力值下降(或上升)不得超過測量上限值的 2% (也可通過變送器輸出信號的等效變化來觀察)。壓變送器 在進行密封性檢查時,高低壓力容室連通,并同時引人額定 工作壓力進行觀察。
(3)測量點的檢定:
設備的連接與安裝:檢定設備和被檢變送器為達到熱 平衡,必須在檢定條件下放置2h;準確度低于0.5級的變送 器可縮短放置時問,一般為1h。檢定設備和被檢變送器按要 求連接,使導壓管中充滿傳壓介質。首次檢定、后續檢定和 使用中檢驗的差壓變送器,靜態過程壓力可以是大氣壓力 (即低壓力容室通大氣);強制檢定的差壓變送器,檢定時的 靜態過程壓力應保持在工作壓力狀態。
檢定點的選擇:應按量程基本均勻份布,一般應包括 上限值、下限值(或其附近10%輸入量程以內)不少于5個點。 優于0.1級和0. 05級的壓力變送器應不少于9個點。對于 輸入量程可調的變送器,首次檢定的壓力變送器應將輸入量 程調到規定的最小、最大分別進行檢定;后續檢定和使用中檢驗的壓力變送器可只進行常用量程或送檢者指定量程的 檢定。
檢定前的調整:用改變輸入壓力的辦法對輸出下限值 和上限值進行調整,使其與理論的下限值和上限值相一致。 一般可以通過調整“零點”和“滿量程”來完成。具有現場 總線的壓力變送器,必須分別調整輸入部分及輸出部分的
“零點”和“滿量程”,同時將壓力變送器的阻尼值調整為 零。絕對壓力變送器的零點絕對壓力應盡可能小,由此引起 的誤差應不超過允許誤差的1/10?1/20。
檢定方法:從下限開始平穩地輸入壓力信號到各檢定 點,讀取并記錄輸出值至上限;然后反方向平穩改變壓力信 號到個各檢定點,讀取并記錄輸出值至下限,為一次循環。 如此進行兩個循環的檢定。強制檢定的壓力變送器應至少進 行上述三個循環的檢定。在檢定過程中不允許調整零點和量 程,不允許輕敲和振動變送器,在接近檢定點時,輸人壓力 信號應足夠慢,避免過沖現象。
測量點的誤差計算:AA=Ad-As;AA—壓力變送器各 檢定點的測量誤差,mA,V或kPa; Ad—壓力變送器上行程 或下行程各檢定點的實際輸出值,mA,V或kPa; As—壓力 變送器各檢定點的理論輸出值,mA,V或kPa。
(4)檢定結果的處理:按要求檢定合格的壓力變送器, 出具檢定證書;檢定不合格的壓力變送器,出具檢定結果通 知書,并注明不合格項目。
(5)檢定周期:壓力變送器的檢定周期可根據使用環境 條件、頻繁程度和重要性來確定。一般不超過1年。
上一篇:彈簧管式一般壓力表的檢定與維修
下一篇:淺析一般壓力表計量檢定相關問題


